4.4 Voltage Divider Bias
Another configuration that can provide high bias stability is voltage divider bias. Instead of using a negative supply off of the emitter resistor, like two-supply emitter bias, this configuration returns the emitter resistor to ground and raises the base voltage. So as to avoid issues with a second power supply, this base voltage is derived from the collector power supply via a voltage divider. The bias template is shown in Figure 4.4.1.

Let’s derive the equations for the load line. First, let’s consider the saturation and cutoff endpoints. For saturation, assume VCE goes to 0. What resistances are left to limit the current?
(4.4.1)
VCE(cutoff) occurs when IC = 0 and that means that there will be no potentials across RC and RE. Therefore, VCE takes on the entire available source voltage.
(4.4.2)
The key to finding the Q point (and pretty much any other current or voltage in the circuit) is to find IC . To simplify the process, Thevenize the voltage divider as shown in Figure 4.4.2.



By inspection of Figure 4.4.2b,
Now we can derive an equation for the collector current by applying KVL to the base-emitter loop of Figure 4.4.2c:
Recalling that IB = IC /β and IE ≈ IC ,
Solving for IC we arrive at
(4.4.3)
Can we find a quick approximation for IC as well? If we assume that the voltage divider of R1 and R2 is lightly loaded, in other words, that the divider current is much, much less than the base current, finding IC is easy. The divider voltage yields the base voltage. We then subtract the 0.7 volt drop on the base-emitter and what’s left drops across RE. From there it’s one short application of Ohm’s law to get IE, which is approximately equal to IC . But how do we know if the divider is lightly loaded in the first place without going through the Thevenin equivalent? Looking at Equation 4.4.3, as long as RE ≫ RT H /β , we can ignore the second term in the denominator, leaving us with our quick approximation. Given typical values for β, as long as R2 is not much larger than RE, the approximation will be reasonably accurate.
Once IC is obtained we can find the transistor’s collector-emitter voltage, VCE ,
(4.4.4)
Time for yet another thrilling illustrative example.
Example 4.4.1
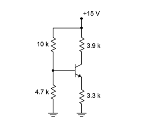
Assuming β = 200, plot the Q point (IC and VCE ) on the load line for the circuit of Figure 4.4.3. Also determine the value of VB.

Calculate the load line endpoints so we know the maximums.
To obtain the Q point, first find the Thevenin values.
Using Equation 4.4.3:
Noting the relative sizes of RE and R2, the approximation should be fairly accurate.
To find VCE we can use Equation 4.4.4.
As far as finding VB is concerned, a decent approximation would be the value of VTH because we have determined that the divider is lightly loaded. In a more general sense, we could also find the drop across RE and then add VBE. The approximation yields 4.8 volts and the more accurate method yields
The load line for the circuit in Example 5=4.4.1 is shown in Figure 4.4.4.

Once again the proportions between voltage and current for the Q point appear to be proper when compared against the endpoints.
Verification of Stability
How much does the Q point move if β were to get cut half? Recalculating with a β of 100 yields IC = 1.23 mA and VCE = 6.14V. This represents a shift in both current and voltage of less than 1%. This will, of course, cause a near doubling of IB but this will be hardly noticed here as the divider current is so much larger; approximately 15V/ (10 k + 4.7 k) or 1 mA versus about 1.23 mA/100 or 12.3 μA.
PNP Voltage Divider Bias
To create the PNP version of the voltage divider bias, we replace the NPN with a PNP and then change the sign of the power supply. As mentioned with the two-supply emitter bias, these circuits are usually flipped top to bottom resulting in the flow of DC current going down the page. All of the currents and component voltages are unchanged except that their directions and polarities are reversed. The current equations and so forth remain valid. Something a little odd-looking happens with the voltage divider bias, though: we end up with ground being the most positive potential and a negative supply at the bottom of the schematic. It works, but it’s an issue if we’re using a traditional positive supply elsewhere in the circuit. After all, why have two supplies where one will do? It turns out that we can make a positive supply version fairly easily. All we need to do is add the magnitude of the negative source voltage to the ground and power connections. This progression is shown in Figure 4.4.5.

There is nothing magic about this procedure. In essence, all we’ve really done is renamed the reference point. All of the individual component voltages remain unchanged. For example, looking at Figure 4.4.5c versus 4.4.5b, it is still the case that the top connection to RE is more positive than the bottom connection to RC by the voltage VCC (although we did rename the supply to VEE to be consistent with where it’s connected). What has happened is that all ground-referenced (i.e., single subscript) voltages have changed. For example, VB in Figures 4.4.5a and 4.4.5b is the voltage across R2 . In contrast, VB in Figure 4.4.5c is the voltage across R1 . That makes sense. If we move the reference then any voltage that is measured against the reference will change.
When analyzing the PNP voltage divider, we could simply parrot the collector current formula developed for the NPN, but there are other techniques. Two methods are illustrated in the following example.
Example 4.4.2
Assuming β=200, determine the Q point (IC and VCE) for the circuit of Figure 4.4.3. Also determine the values of VC and VB.

First off, R2 (now on top) is around the same size as RE so the approximation method should be accurate and we can assume the divider is lightly loaded.
Method One
We will focus on the base-emitter loop as usual because VBE is a known potential. Our immediate goal is to find the voltage across RE so that we can use Ohm’s law to find IC. First we note that the voltage drop across R2 is equal to the combined drops across RE and VBE. The drop across R2 is found via the voltage divider rule.
And
Therefore
Method Two
Here we will determine all voltages with respect to ground.
The voltage from base to emitter has a − to + polarity, meaning it is a rise of 0.7 volts. Therefore
The voltage across RE is the difference between VEE and VE.
This is the same value we arrived at using method one, so the collector current must be the same at 1.24 mA.
To find VCE we also have options. One path is to use a slightly modified Equation 4.4.4
The collector is negative relative to the emitter, hence the negative sign. To avoid this, we could just swap the leads and refer to VEC instead.
Alternately, we could find VCE by determining VC and then subtracting VE from it.
We see a very slight difference here due to carried rounding errors.
It is instructive to compare the results of Example 4.4.2 back to Example 4.4.1. These circuits are otherwise identical except for the fact that one is NPN and the other is PNP. We find the same results for device currents (IC ) and component voltage magnitudes (VCE or the voltage across RE); only the signs and directions are reversed. On the other hand, we find that ground referenced potentials such as VB, VC and VE are decidedly different between the two circuits.